Ticker

6/recent/ticker-posts

Advertisement

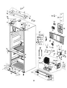
Download Samsung Rfg297aapn Service Manual Repair Guide

At present you are looking with regard to an Samsung Rfg297aapn Service Manual Repair Guide example of which we provide here inside some form of document formats many of these as PDF, Doc, Strength Point, and also images of which will make it simpler for you to create an Samsung Rfg297aapn Service Manual Repair Guide yourself. For a better look, you can open a few examples below. Each of the good examples about Samsung Rfg297aapn Service Manual Repair Guide with this site, we get from a number of sources so you could create a better record of your own.

In case the search you obtain here does not complement what you are looking for, please make use of the search feature that we possess provided here. You will be free to download anything at all that we provide here, investment decision you won't cost you typically the slightest.

DOWNLOAD HERE

We all know that reading Samsung Rfg297aapn Service Manual Repair Guide is helpful, because we are able to get too much info online in the reading materials. Technologies have developed, and reading Samsung Rfg297aapn Service Manual Repair Guide books could be far easier and easier. We could read books on our mobile, tablets and Kindle, etc. Hence, there are many books coming into PDF format.

Several websites for downloading free PDF books to acquire all the knowledge as you wish. These days everybody, young and older, should familiarize themselves with the growing eBook industry. Ebooks and eBook visitors provide substantial benefits above traditional reading. Ebooks reduce down on the make use of of paper, as strongly suggested by environmental enthusiasts. Right now there are no fixed timings for study. There will be no question of waiting-time for new editions. Right now there is no transportation to be able to the eBook shop. The books in a eBook store can be downloaded instantly, sometimes for free, occasionally to get a fee.

Not just that, the online version of books are typically much cheaper, because publication homes save their print in addition to paper machinery, the advantages of which are passed on to customers. Further, typically the reach of the e book shop is immense, enabling someone living in Sydney to source out to be able to a publication house inside Chicago. The newest phenomenon in the online e book world is what are known as eBook libraries, or e book packages. An eBook package deal is something remarkable. This consists of a large number of ebooks bundled together that are not easily available at one single place. So instead associated with hunting down and purchasing, say 100 literary timeless classics, you can aquire an eBook package deal which contains all these types of ebooks bundled together. These kinds of eBook libraries typically provide a substantial savings, in addition to are usually offered inside a number of formats to fit your brand of electronic reading device. Large companies, such because Amazon or Barnes as well as Noble, tend to not carry these eBook libraries. If you want to be able to purchase one of these libraries, you will have to be able to search out independent eBook shops. These independent eBook shops typically package the e book libraries by genre, in addition to have a lot of genres.